Будьте всегда в курсе!
Узнавайте о скидках и акциях первым
Новости
Все новости
23 января 2026
Важное сообщение о работе нашего сайта
28 февраля 2022
Цены на сайте
30 декабря 2021
Режим работы ЛАД Фурнитура на новогодние праздники
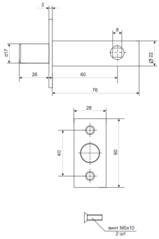
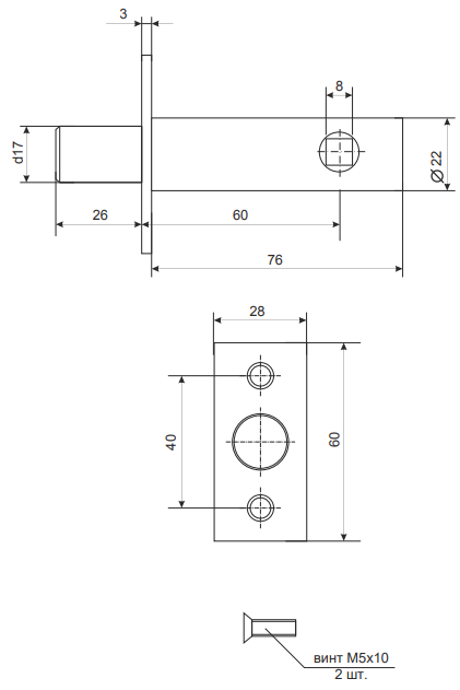
Задвижка дверная Apecs L-0260-CR
- Описание
- Характеристики
- Отзывы
- Задать вопрос
-
ОписаниеЗадвижка дверная Apecs L-0260-CR для входных стальных дверей и металлоконструкций с надёжным запатентованным механизмом привода, выдерживающим самые высокие нагрузки без сбоев в работе. Ручка-поворотник подбирается отдельно для полного совпадения по дизайну с раздельной фурнитурой на двери.
- Цвет - Хром;
- Тип покрытия - Гальваника;
- Удаление отверстия (BACKSET) - 60 мм;
- Вылет ригеля - 26 мм;
- Размер сечения квадрата поворотной ручки - 8 мм;
- Диаметр ригеля - 17 мм;
- Наличие ответной планки в комплекте - Нет;
- Комплектуется поворотной ручкой/вертушкой - Нет;
- Тип крепежа - Винты M5*10 - 2 шт;
- Тип упаковки - Пакет.
Документы
Эскиз дверной задвижки Apecs L-0260-CR Размер: 91,3 кб -
Характеристики
Бренд Apecs Цвет Хром Материал Сталь Страна происхождения Китай Удаление ключевого отверстия (Backset) 60 мм Бренд_число 60 Страна происхождения Китай Вес, кг 0.202 Гарантия 3 года - Отзывы
-
Задать вопросВы можете задать любой интересующий вас вопрос по товару или работе магазина.
Наши квалифицированные специалисты обязательно вам помогут.

























