Будьте всегда в курсе!
Узнавайте о скидках и акциях первым
Новости
Все новости
23 января 2026
Важное сообщение о работе нашего сайта
28 февраля 2022
Цены на сайте
30 декабря 2021
Режим работы ЛАД Фурнитура на новогодние праздники
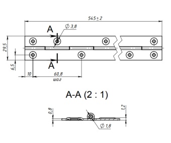
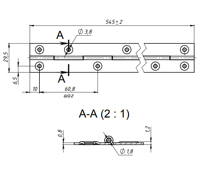
Петля рояльная L 545 цинк (100) мт
- Описание
- Характеристики
- Отзывы
- Задать вопрос
-
ОписаниеИЗ КД
-
Характеристики
Бренд Металлист Цвет Цинк Размер 545*29,5*0,8 Бренд_число 35519 Вес, кг 0.13 - Отзывы
-
Задать вопросВы можете задать любой интересующий вас вопрос по товару или работе магазина.
Наши квалифицированные специалисты обязательно вам помогут.

























