Будьте всегда в курсе!
Узнавайте о скидках и акциях первым
Новости
Все новости
23 января 2026
Важное сообщение о работе нашего сайта
28 февраля 2022
Цены на сайте
30 декабря 2021
Режим работы ЛАД Фурнитура на новогодние праздники
Ручка накладная с фиксацией Apecs HF-1066-BL
- Описание
- Характеристики
- Отзывы
- Задать вопрос
-
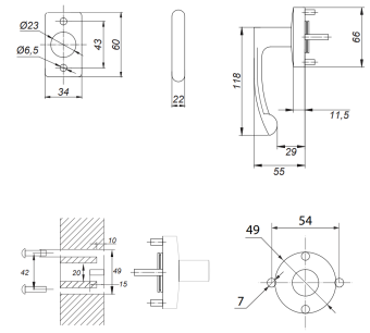
ОписаниеРучка накладная с фиксацией Apecs HF-1066-BL предназначена для установки на противопожарных дверях. Фиксация ключом.
- Цвет - Черный;
- Материал - ЦАМ;
- Покрытие - Полимерная краска;
- Размер сечения квадрата ручки - 8 мм;
- Длина квадрата - 80 мм;
- Рекомендуемая толщина дверного полотна - 50-80 мм;
- Тип упаковки - Коробка.
Документы
Эскиз накладной ручки с фиксацией Apecs HF-1066-BL Размер: 115,6 кб -
Характеристики
Бренд Apecs Цвет Черный Страна происхождения Китай Бренд_число 60 Страна происхождения Китай Вес, кг 0.494 Гарантия 1 год - Отзывы
-
Задать вопросВы можете задать любой интересующий вас вопрос по товару или работе магазина.
Наши квалифицированные специалисты обязательно вам помогут.

























