Будьте всегда в курсе!
Узнавайте о скидках и акциях первым
Новости
Все новости
23 января 2026
Важное сообщение о работе нашего сайта
28 февраля 2022
Цены на сайте
30 декабря 2021
Режим работы ЛАД Фурнитура на новогодние праздники
Замок межкомнатный Apecs 6000-W
- Описание
- Характеристики
- Отзывы
- Задать вопрос
-
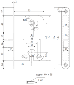
ОписаниеЗамок межкомнатный Apecs 6000-W устанавливается в межкомнатные двери и двери сантехнических кабин. Подгонка замка Апекс для левосторонних или правосторонних дверей, осуществляется путем вытягивания защелки за пределы торцевой планки и разворота. Межосевое расстояние между центром ручки и центром вставки ключа равно 72 мм. Расстояние (backset) от внешнего края торцевой пластины до центра ручки равно 45 мм.
- Цвет: Белый;
- Материал: Сталь;
- Полимерное покрытие;
- Тип защелки: Универсальная;
- Вылет ригелей: 13 мм;
- Тип механизма секретности: Цилиндровый.
Документы
Эскиз межкомнатного замка Apecs 6000-W Размер: 240,9 кб -
Характеристики
Бренд Apecs Цвет Никель Тип механизма секретности Цилиндровый Страна происхождения Китай Тип цилиндрового механизма Евроцилиндр Межосевое расстояние 72 мм Удаление ключевого отверстия (Backset) 45 мм Бренд_число 60 Страна происхождения Китай Вес, кг 0.319 Гарантия 3 года - Отзывы
-
Задать вопросВы можете задать любой интересующий вас вопрос по товару или работе магазина.
Наши квалифицированные специалисты обязательно вам помогут.

























