Будьте всегда в курсе!
Узнавайте о скидках и акциях первым
Новости
Все новости
23 января 2026
Важное сообщение о работе нашего сайта
28 февраля 2022
Цены на сайте
30 декабря 2021
Режим работы ЛАД Фурнитура на новогодние праздники
Замок врезной PROSAM 78928 ЗВ4-31/55.СП5.РФ55-002.60-Z.Ш
- Описание
- Характеристики
- Отзывы
- Задать вопрос
-
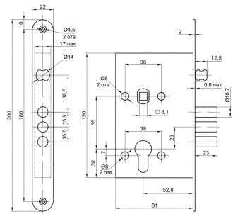
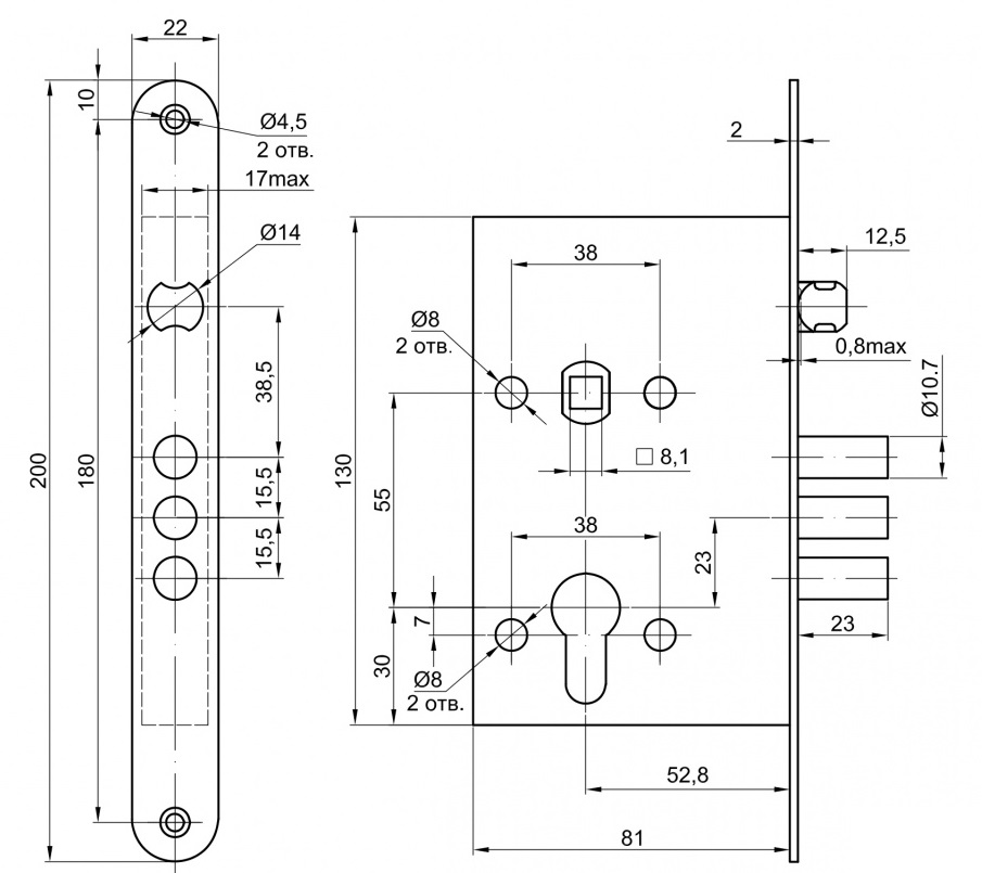
ОписаниеЗамок врезной Просам 78928 ЗВ4-31/55 цилиндровый с защелкой и фалевыми ручками. Предназначен для входных и внутренних дверей толщиной 40-50 мм жилых домов, квартир, торговых и конторских помещений. Замок универсальный, его можно устанавливать как в правые, так и в левые двери, переустановив защелку. Возможно использование замка с цилиндровым механизмом длиной 70 мм.
- Межцентровое расстояние - 55 мм;
- Накладки с фалевыми ручками, цвет «медный антик»;
- Цилиндровый механизм - 60 мм;
- Количество ключей - 5 шт;
- Длина ключа - 56 мм;
- Дверь может быть закрыта на защелку и открыта с помощью фалевой ручки при открытом засове замка.
-
Характеристики
Бренд Про-Сам Цвет Медь Тип механизма секретности Цилиндровый Левый/Правый Универсальный Тип механизма защелки Классический Тип замка Врезной Назначение Для деревянных/металлических дверей Тип замка Врезной Защелка Есть Тип механизма секретности Цилиндровый Цвет лицевой планки Хром Количество ригелей, шт 3 Вылет ригелей 22 мм Диаметр ригеля 10,7 мм Межосевое расстояние 55 мм Удаление ключевого отверстия (Backset) 52,8 мм Автоматическое запирание Не автоматическое Защелка Есть Тип механизма защелки Классический Бренд_число 53 Вылет ригелей 22 мм Левый/Правый Универсальный Цвет ручки Медь Размер сечения квадрата ручки 8 мм Вес, кг 1.3 - Отзывы
-
Задать вопросВы можете задать любой интересующий вас вопрос по товару или работе магазина.
Наши квалифицированные специалисты обязательно вам помогут.

























