Будьте всегда в курсе!
Узнавайте о скидках и акциях первым
Новости
Все новости
23 января 2026
Важное сообщение о работе нашего сайта
28 февраля 2022
Цены на сайте
30 декабря 2021
Режим работы ЛАД Фурнитура на новогодние праздники
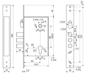
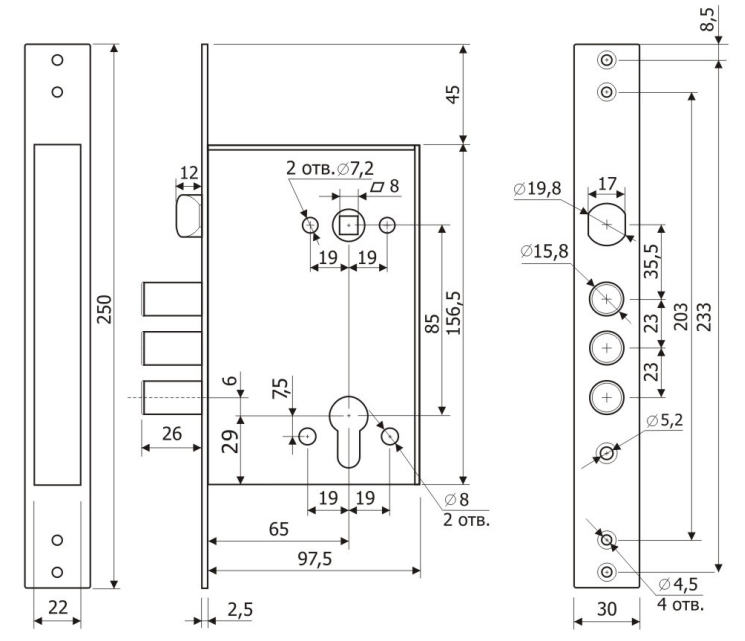
Замок врезной ГАРДИАН 3211
- Описание
- Характеристики
- Отзывы
- Задать вопрос
-
ОписаниеВрезной цилиндровый замок ГАРДИАН 3211 с защелкой предназначен для установки в металлические двери, шкафы и сейфы правого и левого открывания. Усиленная защита замка от взлома - при полностью выдвинутых ригелях 30% их длины остается в корпусе замка. Устанавливается как с раздельной фурнитурой так и с ручками на планке. Рекомендована установка с броненакладкой.
Преимущества:
- Защита от наиболее распространенных методов вскрытия — защита от взлома – при полностью выдвинутых ригелях замка, 30% их длины остается в корпусе замка, усилена конструкция засовов;
- Возможность установки броненакладки на цилиндровый механизм;
- Универсальность, возможность переворота защелки без разборки замка;
- Отверстия для крепления дверных ручек стяжными винтами;
- Возможность установки ручки на планке.
-
Характеристики
Бренд Гардиан Цвет Хром Тип механизма секретности Цилиндровый Левый/Правый Универсальный Класс защиты 4 Тип механизма защелки Классический Тип замка Врезной Назначение Для металлических дверей Тип замка Врезной Защелка Есть Тип механизма секретности Цилиндровый Тип цилиндрового механизма Евроцилиндр Цвет лицевой планки Хром Количество ригелей, шт 3 Вылет ригелей 26 мм Диаметр ригеля 15,8 мм Межосевое расстояние 85 мм Удаление ключевого отверстия (Backset) 65 мм Автоматическое запирание Не автоматическое Защелка Есть Тип механизма защелки Классический Бренд_число 66 Класс безопасности 4 класс Вылет ригелей 26 мм Левый/Правый Универсальный Размер сечения квадрата ручки 8 мм Вес, кг 1.253 Гарантия 5 лет - Отзывы
-
Задать вопросВы можете задать любой интересующий вас вопрос по товару или работе магазина.
Наши квалифицированные специалисты обязательно вам помогут.

























