Будьте всегда в курсе!
Узнавайте о скидках и акциях первым
Новости
Все новости
23 января 2026
Важное сообщение о работе нашего сайта
28 февраля 2022
Цены на сайте
30 декабря 2021
Режим работы ЛАД Фурнитура на новогодние праздники
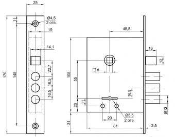
Замок врезной PROSAM 74500 ЗВ9-8/13.СП2.НР-002.Ш
- Описание
- Характеристики
- Отзывы
- Задать вопрос
-
ОписаниеЗамок врезной Просам 74300 ЗВ9-8/13 8-сувальдный с защелкой и фалевыми ручками. Предназначен для установки в двери толщиной 40-50 мм. Замок универсальный, его можно устанавливать как в правые, так и в левые двери, переустановив защелку.
Фурнитура к замку: Накладка литая с фалевой ручкой «медный антик».
- 250000 секретов;
- Вылет ригелей — 21 мм;
- Диаметр ригеля — 11,7 мм;
- Количество ключей — 3 шт;
- Габаритные размеры 81х108х19мм;
- Защита от отмычек.
-
Характеристики
Бренд Про-Сам Цвет Медь Тип механизма секретности Сувальдный Левый/Правый Универсальный Тип механизма защелки Классический Тип замка Врезной Назначение Для деревянных/металлических дверей Тип замка Врезной Защелка Есть Тип механизма секретности Сувальдный Цвет лицевой планки Хром Количество ригелей, шт 3 Вылет ригелей 21 мм Диаметр ригеля 11,7 мм Межосевое расстояние 55 мм Удаление ключевого отверстия (Backset) 48,5 мм Автоматическое запирание Не автоматическое Защелка Есть Тип механизма защелки Классический Бренд_число 53 Вылет ригелей 21 мм Левый/Правый Универсальный Цвет ручки Медь Вес, кг 1.201 - Отзывы
-
Задать вопросВы можете задать любой интересующий вас вопрос по товару или работе магазина.
Наши квалифицированные специалисты обязательно вам помогут.

























