Будьте всегда в курсе!
Узнавайте о скидках и акциях первым
Новости
Все новости
23 января 2026
Важное сообщение о работе нашего сайта
28 февраля 2022
Цены на сайте
30 декабря 2021
Режим работы ЛАД Фурнитура на новогодние праздники
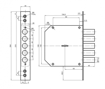
Замок врезной BORDER (72204) ЗВ 8-6 ПК5/15 (BLOCKIDO L3 72233)
- Описание
- Характеристики
- Отзывы
- Задать вопрос
-
ОписаниеВрезной замок BORDER 72204 ЗВ8-6КП.5/15 (КЛП6-102) 6-ти сувальдный устанавливается на входные двери правого открывания.
- Количество ригелей – 5, диаметром 17.7мм и с вылетом на 40мм
- Количество комбинаций - 120 000
- Бэксет - 65,5 мм
- Количество ключей – 5, длина ключа - 102 мм;
- Тип механизма секретности – сувальдный.
-
Характеристики
Бренд Border Цвет Хром Тип механизма секретности Сувальдный Левый/Правый Правый Класс защиты 4 Тип замка Врезной Назначение Для металлических дверей Тип замка Врезной Защелка Нет Тип механизма секретности Сувальдный Цвет лицевой планки Хром Количество ригелей, шт 5 Вылет ригелей 40 мм Диаметр ригеля 17,7 мм Автоматическое запирание Не автоматическое Защелка Нет Бренд_число 59 Класс безопасности 4 класс Вылет ригелей 40 мм Левый/Правый Правый Вес, кг 0.653 Гарантия 7 лет - Отзывы
-
Задать вопросВы можете задать любой интересующий вас вопрос по товару или работе магазина.
Наши квалифицированные специалисты обязательно вам помогут.

























