Будьте всегда в курсе!
Узнавайте о скидках и акциях первым
Новости
Все новости
23 января 2026
Важное сообщение о работе нашего сайта
28 февраля 2022
Цены на сайте
30 декабря 2021
Режим работы ЛАД Фурнитура на новогодние праздники
Замок врезной Apecs 1425-G
- Описание
- Характеристики
- Отзывы
- Задать вопрос
-
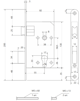
ОписаниеВрезной замок Apecs 1425 повышенной надежности, используется для установки как в деревянные, так и в металлические двери.
Усиленные крепления, высокое качество покрытия, высочайшие показатели работоспособности и износостойкости, современный дизайн, удобная и актуальная форма ручки.Документы
Эскиз Apecs 14XX Размер: 45,2 кб -
Характеристики
Аналоги Замок врезной Барановичи ШО-25 Бренд Apecs Цвет Золото Тип механизма секретности Цилиндровый Материал ЦАМ Тип механизма защелки Классический Покрытие ручек PVD Тип замка Врезной Назначение Для деревянных/металлических дверей Тип замка Врезной Защелка Есть Тип механизма секретности Цилиндровый Тип цилиндрового механизма Евроцилиндр Размер лицевой планки, мм 200x22 Цвет лицевой планки Золото Количество ригелей, шт 1 Вылет ригелей 20 мм Межосевое расстояние 58,5 мм Удаление ключевого отверстия (Backset) 55 мм Автоматическое запирание Не автоматическое Защелка Есть Тип механизма защелки Классический Бренд_число 60 Вылет ригелей 20 мм Способ установки ручки Стяжки Материал ручки ЦАМ Покрытие ручек PVD Цвет ручки Золото Вес, кг 1.5 Гарантия 5 лет - Отзывы
-
Задать вопросВы можете задать любой интересующий вас вопрос по товару или работе магазина.
Наши квалифицированные специалисты обязательно вам помогут.


























